Capítulo 6 Obtención de la muestra

La idea de conocer una totalidad a partir de un fragmento no es novedosa, cuando se prueba solo una cucharada de una sopa que se está preparando, se supone que lo que se concluya de ella (que está bien, que le falta sal…) será válido para toda la olla. Bethlehem (2009) señala que el procedimiento de usar una parte para evaluar una totalidad era usual en la industria desde muy antiguo. En alemán, la palabra “muestra” se compone de “cortar” y “probar” y aparece en la literatura en 1583 como un procedimiento usado en minería que consistía en tomar una pequeña cantidad de material para observar cuánto metal contenía. También el autor cita referencias a estos procedimientos en la industria quesera holandesa en la edad media. Por aquellos tiempos no se hablaba de muestreo, sino de “razonamiento inductivo”. El establecimiento del muestreo y de sus fundamentos se data en la publicación de Anders Kiaer The Representative Method of Statistical Surveys (Kiaer 1973) en 1897.

La estadística inferencial provee los procedimientos para estudiar un subconjunto de elementos y generalizar las conclusiones obtenidas a un total; esto se debe a que estudiar uno o varios atributos o variables en todos los elementos, como se hace en los censos, requiere mucha inversión, de tiempo y de dinero. Por ello es que se procede estudiando tales variables en una muestra y se estiman por inferencia los valores de la población. Se reducen así los costos y se disminuye el tiempo necesario para llevar adelante las investigaciones, si se respetan los procedimientos de la estadística inferencial el error que proviene de trabajar sólo con una parte de la población puede ser conocido y controlado. Pero el ahorro de tiempo y dinero no es la única utilidad del muestreo, luego veremos que hay situaciones en las que el muestreo es la única opción para construir conocimiento.

El muestreo es un conjunto de procedimientos mediante los cuales se selecciona, de un universo determinado, llamado población, un subconjunto que recibe el nombre de muestra, con el objetivo de llegar al conocimiento de ciertas características de los elementos de la población a través de la observación y generalización de esas características presentes en los elementos de la muestra.

Este recurso no es ajeno a la vida cotidiana, por ejemplo, cuando se considera a una persona “poco confiable” suele ser a partir de varias veces en que esa persona mintió. Al hacerlo, se extiende ese comportamiento (se generaliza) a situaciones que no han sido observadas, se espera que en el futuro, esa persona actúe de modo similar. Esta forma de generalizar tienen requisitos, ya que no es suficiente que haya mentido una vez para caracterizarlo como poco confiable, ni que haya mentido varias veces sobre un mismo asunto. Por el contrario, debe ser una conducta que se haya apreciado en diversidad de situaciones, la que permita hacer un juicio sobre la persona. Por la complejidad de los procesos que involucran a personas, el conocimiento que tengamos de ellos siempre será fragmentario, solo está a nuestro alcance conocer una porción de la infinidad de situaciones humanas posibles. Esos fragmentos constituyen nuestra experiencia cotidiana y necesitamos generalizar intuitivamente para orientarnos en el mundo, para tomar decisiones de todos los días. Pero cuando queremos dar a ese conocimiento un carácter tan validado como sea posible, debemos poner bajo análisis crítico nuestras observaciones y el modo en que han sido seleccionadas. De eso se trata el muestreo; de elegir algunas observaciones que permitan generalizar parcialmente. No lograremos afirmaciones universales, pero sabremos cuáles son los límites de esas afirmaciones.

En la inferencia estadística hay dos subprocesos. El primero es la selección, que consiste en operaciones mediante las cuales se incluyen algunos elementos de la población en la muestra. El segundo es la estimación, donde, a partir de lo observado en la muestra, ofrecemos una aproximación a los valores poblacionales. A su vez, la selección de la muestra implica decidir cuáles y cuántos casos seleccionar, es decir, la calidad del proceso de selección por un lado, y la cantidad de casos a seleccionar por otro. En este capítulo nos ocupamos de la primera de estas preguntas: de qué modo seleccionar individuos para que lo que se observe de ellos pueda extrapolarse a otros individuos no observados. El número de casos que deben seleccionarse, será tema de los capítulos posteriores.

Destaquemos aquí un punto importante: la calidad de la muestra es un requisito de base. Si la muestra está correctamente elegida, los procedimientos de inferencia son válidos, de lo contrario no lo son, es una clasificación dicotómica, por sí o por no. Por el contrario, el tamaño de la muestra incide gradualmente, veremos que si las muestras son más grandes se detectan mejor las diferencias y se reduce el error de estimación. Pero esto es cierto siempre y cuando se cumpla la primera condición. Si la muestra no es adecuada, el aumento en el número de casos no mejora la estimación, e inclusive puede empeorarla.

6.1 Población

Utilizaremos la palabra población o, indistintamente, universo, para designar, de manera genérica, a un conjunto de unidades de análisis que son objeto de un estudio particular. Tal conjunto puede estar definido con precisión en el tiempo y el espacio o no, a él se referirán los resultados obtenidos en la investigación por muestreo. Ejemplos de estos son: pacientes con trastornos alimenticios que se atendieron en el hospital Misericordia de la ciudad de Córdoba en el año 2019, quienes votaron en las elecciones para intendente de la ciudad de Río Cuarto en 2008, las escuelas primarias de la provincia de Córdoba, las carreras que se dictaban en universidades en Argentina en 2017, los países representados en la ONU.

Las unidades de análisis antes mencionadas constituyen los elementos de la población, son entidades de diferente naturaleza: personas, hogares, instituciones, ciudades, países, etc.

El tamaño que tiene una población influye en el diseño de la muestra porque dependiendo de su tamaño, la población puede ser tratada como finita o infinita. Se dice que es finita si el número de elementos es limitado y se puede tener acceso a todos o casi todos los elementos, ejemplo de ello serían quienes cursan cuarto año del colegio Manuel Belgrano del ciclo lectivo 2020, personas admitidas como pacientes en el Hospital de Clínicas en mayo de 2017, el conjunto de países representados en la ONU en 2015, integrantes del bloque parlamentario oficialista en un país en un año determinado. Se habla de población infinita35 cuando el número de elementos que integra la misma es elevado, por ejemplo, los vehículos que circulan por rutas nacionales en una provincia, o estudiantes de nivel inicial de la República Argentina. En ciertas ocasiones no se especifica con precisión el tiempo por lo que se habla de población hipotética, tal caso sería el de quienes cursan primer año de una carrera universitaria (sin especificar ciclo lectivo), por lo que no sólo se incluyen los elementos existentes hoy y en años anteriores, sino también los que en el futuro lo hagan. En este caso, la población no puede siquiera enumerarse. Así sucede también con estudios que plantean probar los efectos de un tipo de psicoterapia sobre pacientes con diagnóstico de esquizofrenia. En ese caso la “población” es la de las personas diagnosticadas como esquizofrénicas en la actualidad y también aquellas que lo serán en el futuro. Cuando se ensaya en una muestra una droga para la hipertensión, la generalización se espera válida para una población que no puede enumerarse: la de “las personas hipertensas”, tanto las ya diagnosticadas como las que lo serán en el futuro. En casos como estos no tenemos posibilidad de delimitar la población completa, decimos que se trata de poblaciones hipotéticas.

Para analizar características de las unidades de análisis, puede creerse que lo mejor sería realizar un relevamiento exhaustivo de las mismas. Este relevamiento consistiría en observar dicha característica (una variable) en cada uno de los elementos de la población. Tal modo de recolectar la información se conoce con el nombre de censo.

La mayoría de los países realiza censos periódicamente (a menudo cada 10 años), que son operativos organizados desde el estado, que involucran a muchas personas, y tienen un alto presupuesto. En la práctica de la investigación social, es frecuente realizar relevamientos exhaustivos cuando las poblaciones son de pequeño tamaño y están bien delimitadas en el tiempo y en el espacio. Un ejemplo de este caso sería la situación en que se pretende conocer la opinión de quienes asistieron a un curso acerca de su docente, aquí lo más adecuado es indagar (vía encuesta) a todos.
Sin embargo, la mayoría de las poblaciones de interés para la investigación social tienen dimensiones considerables (asistentes a primer grado de la escuela primaria en un país) o son inaccesibles (quienes consumen una marca de gaseosa, practicantes del budismo) o son hipotéticas (las personas diagnosticadas de depresión, votantes con ideología de derecha).

Cuando se busca dar generalidad a los resultados alcanzados a través de experimentos, la población de referencia suele ser hipotética: los efectos de una droga sobre la depresión, la relación entre xenofobia y autoritarismo, la eficacia de una estrategia didáctica. Son casos que aspiran a generar resultados válidos para una población hipotética, por lo que el relevamiento completo es imposible y solo se puede observar a unos pocos casos. El modo en que seleccionemos esos pocos casos es de máxima importancia para que los resultados también sean válidos para los casos que no son observados.

Además de permitir economía de recursos y de ser a menudo la única opción, el muestreo permite profundizar los estudios que se realizan sobre los elementos de la muestra. En efecto, en los relevamientos exhaustivos de gran magnitud, como los censos nacionales o provinciales, no es posible profundizar con la indagación; se deben hacer pocas preguntas a fin de alcanzar a una gran población en un tiempo aceptable. Si se trabaja con una muestra, se puede indagar con más detalle y profundidad, y luego, con los procedimientos adecuados, extender los hallazgos a la población de la cual la muestra proviene.

6.1.1 Muestra

Se llama muestra a un subconjunto de una población que comparte sus características en los aspectos de interés para la investigación. El concepto de muestra va ligado al de representatividad, es decir a su capacidad de actuar como “representante” de los elementos de la población que no han sido seleccionados. Tal representatividad no implica una identidad en todos los aspectos, son solamente aquellas características que se encuentran bajo análisis las que deben ser compartidas por la muestra y la población.

Ejemplos:
- Población de quienes votan en una ciudad –> muestra de votantes para consulta de opinión política. - Población de docentes de una universidad –> muestra de docentes para analizar la distribución de tiempo entre docencia, investigación y extensión. - Población de hogares existentes en una ciudad –> muestra de hogares para conocer sus condiciones de vida.

Cuando se planifica la extracción de una muestra, no se conoce en detalle a la población, por lo que no es posible saber a priori cómo debe ser la muestra que la represente. Si se conocen algunas características de la población que estén relacionadas con el aspecto que se estudia, entonces corresponde reproducirlas en la muestra. En el primero de los ejemplos anteriores, la muestra de votantes debe respetar las proporciones de varones y mujeres que hay en la población, así como de los diferentes grupos de edad; ya que se supone que sexo y edad pueden estar relacionados con la preferencia política. Si se extrajera una muestra que solo tenga mujeres de 18 a 25 años sería una muestra sesgada, porque solo tomaría en cuenta un grupo, cuyo comportamiento electoral podría ser diferente al resto de la población. Una muestra así, sirve para estudiar el comportamiento de ese grupo particular, se puede generalizar a la población de mujeres entre 18 y 25 años, pero no a la población de votantes.

En el segundo ejemplo, si sabemos que en la población de docentes de esa universidad, hay 60% de mujeres, y se espera que las respuestas que den las mujeres sean diferentes a las de los varones, entonces debe respetarse ese porcentaje en la muestra. Pero si la proporción de quienes van a trabajar en auto es del 70% y esto no tiene ninguna relación con la distribución de tiempo en las diferentes actividades, entonces ese porcentaje es irrelevante para el muestreo. Por otro lado, si la dedicación (simple, semiexclusiva o exclusiva) incide en el tema de investigación, entonces, las diferentes categorías de dedicación deben estar representadas en la muestra.

La posibilidad de extrapolar los resultados muestrales a la población completa está ligada a la posibilidad de asignar probabilidades a cada una de las muestras que podrían seleccionarse de una población. De manera que sólo será lícito utilizar los resultados muestrales como estimación de valores poblacionales, cuando sea posible conocer a priori cuál es la probabilidad que tiene cada individuo de la población de ser incluido en la muestra. Las técnicas de muestreo que aseguran este requisito se denominan probabilísticas. Otras técnicas que no cumplen esta condición se llaman muestreos no probabilísticos y muchas veces son utilizadas para reducir tiempos y costos, pero los resultados obtenidos de ellas no se pueden usar para extraer conclusiones sobre la población. Son adecuados en estudios que no buscan generalidad de sus conclusiones sino profundidad en el análisis de los casos observados. Sin embargo, hay investigaciones que usan muestras no probabilísticas para dar carácter general a los resultados que se obtienen. Cuando se hace esto, nunca hay certeza del grado de generalidad de lo que se concluye y hasta qué punto no se trata de características específicas de los individuos a los que se observó, ya que no puede conocerse el margen de error de lo que se estima. Cuando las limitaciones prácticas hacen imposible la obtención de una muestra probabilística, hay que cuidar que la muestra sea heterogénea y que la inclusión de casos dependa lo menos posible de la voluntad de los participantes.

Para que sea posible asignar probabilidades a cada una de los individuos de formar parte de la muestra, el método por el cual se seleccionan los individuos tiene que excluir la elección voluntaria. Esto implica que el proceso de elección debe quedar estrictamente librado al azar, sin dejar margen para que se filtre la intencionalidad, no se trata de elegir a “cualquiera”. En consecuencia, caerán en la categoría de técnicas de muestreo no probabilísticas todos los procedimientos en que exista alguien que pueda tomar la decisión acerca de si una unidad va a ser o no incluida en una muestra.

Muestreos probabilísticos: las muestras obtenidas por estos procedimientos permiten generalizar los resultados obtenidos en ellas a toda la población de referencia. El requisito para que una muestra sea probabilística es que sus elementos hayan sido elegidos al azar (aleatoriamente), sin que haya alguien que decida a quién incluir y a quién excluir de la muestra.
Muestreos no probabilísticos: en estas muestras no se cumple el requisito de aleatoriedad en la selección de los elementos que la componen. Los resultados no se pueden generalizar de manera probabilística más allá de los casos observados.

6.2 Muestreos probabilísticos

Cuando se pretende que los resultados obtenidos en una muestra puedan ser generalizados a la población de la cual ésta proviene, se hace necesario recurrir a muestreos de tipo probabilísticos. Se trata de diseños que requieren más cuidado en su elaboración y de manera concomitante son más costosos. Señalamos a continuación los tipos puros de muestreos probabilísticos y luego veremos algunas combinaciones de ellos que se usan a menudo.

6.2.1 Muestreo irrestricto aleatorio o aleatorio simple

Se trata de una técnica que asigna igual probabilidad de pertenecer a la muestra a todos los individuos de la población. Para su realización se requiere contar con una lista de los elementos de la población. Este listado es lo que se denomina el marco de la muestra. Dicho marco debe cumplir con los requisitos de exhaustividad (es decir, que sea completo) y debe cuidarse que no existan duplicaciones. La tarea de depuración de un listado puede insumir bastante tiempo según el tamaño de la población y el tipo de marco muestral de que se trate. Es diferente el caso de un registro electoral, del total de historias clínicas de un gran hospital o del listado de estudiantes de una facultad, o de quienes componen la Cámara de Diputados de la nación).

Su realización consiste en numerar los elementos del listado y elegir aleatoriamente una cantidad \(n\) de ellos (el tamaño de la muestra). La aleatoriedad de la elección queda garantizada por el uso de una tabla de números aleatorios o de un generador electrónico de los mismos. Algunas calculadoras de los teléfonos disponen de esta opción en la tecla #RAN (por random, aleatorio), en Excel, el comando =ALEATORIO() produce un número aleatorio entre cero y uno, en LibreOffice.Calc, RANDBETWEEN lo hace entre dos valores provistos.

La exigencia de contar con el listado de los elementos de la población es una limitación importante para este tipo de muestreo por lo que, como se verá más adelante, a menudo se lo utiliza en combinación con otros procedimientos. Además, puede ocurrir que los elementos elegidos en la muestra se encuentren dispersos geográficamente de manera que resulte muy costoso ubicar a cada uno de ellos.

Una ventaja importante es que no exige que se conozca a priori ninguna característica de la población. Desde el punto de vista estrictamente estadístico, resulta más fácil acotar el error de muestreo ya que las distribuciones de probabilidad subyacentes son bien conocidas para este tipo de muestreo.

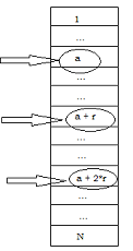
6.2.2 Muestreo sistemático

Un procedimiento alternativo al muestreo irrestricto aleatorio lo constituye el muestreo sistemático. En este caso solo se selecciona un elemento aleatoriamente y, comenzando por él, se recorre el marco de la muestra tomando los elementos siguientes a intervalos regulares. El primer paso consiste en determinar el número de veces que se incluye la muestra en la población. Ese valor es el que resulta de dividir el tamaño de la población en el tamaño de la muestra:

\[r = \frac{N}{n}\]

Donde:

\(r\) representa a las veces que la población contiene a la muestra,

\(N\): tamaño de la población,

\(n\): tamaño de la muestra.

Luego se genera un número aleatorio entre 1 y \(r\), éste constituye el primer elemento de la muestra al que llamaremos “a”. A continuación se selecciona el elemento que se encuentra \(r\) unidades más adelante en la lista (el elemento que ocupa el lugar \(a+r\)) y así sucesivamente hasta recorrer la lista completa, lo cual ocurrirá cuando se haya alcanzado al enésimo y último elemento de la muestra.

El gráfico 6.1 ilustra este procedimiento, las flechas a la izquierda señalan los primeros elementos que constituyen la muestra; el procedimiento prosigue de idéntica manera hasta la última unidad de la muestra.
En el muestreo estratificado se eligen muestras diferentes de cada uno de los subconjuntos definidos en la población.

Figura 6.1: En el muestreo estratificado se eligen muestras diferentes de cada uno de los subconjuntos definidos en la población.

Esta técnica tiene, en principio, los mismos requerimientos que el muestreo irrestricto aleatorio, porque pide que se tenga el marco de la muestra, pero se puede adaptar cuando no se lo tiene.

Su uso se justifica por dos razones. La primera es que si la lista no presenta ninguna tendencia especial, el muestreo sistemático facilita la extracción de la muestra, simplifica la operación, ya que la elección de todos los números aleatoriamente puede ser lenta por la aparición de elementos repetidos que hay que descartar. La segunda razón es que puede ocurrir que el listado este ordenado según algún criterio (por fechas, o por edades de los individuos, etc.), de ser así, existe el riesgo que una muestra irrestricta aleatoria concentre los elementos elegidos en alguna “zona” de la lista, y que así sobre-represente a los individuos que tienen alguna característica en común. En este caso el muestreo sistemático asegura que el marco de la muestra sea recorrido completamente a intervalos iguales.

Cuando la población tiene un comportamiento cíclico el muestreo sistemático no es adecuado. Eso quiere decir que hay alguna característica que se repite cada cierta cantidad fija de casos. Un ejemplo de esto es una muestra a lo largo del tiempo, en que algunos “momentos”, tales como los inicios o los fines de mes, algunos días de la semana, etc., se repiten periódicamente en el año. Por ejemplo, si se trata de estimar los ingresos a un hospital y elegimos, de manera sistemática, los días que constituirán la muestra, hay que cuidar que no se repitan siempre los mismos días de la semana. Eso pasaría si el valor de r fuera 7 ó 14 ó 21, y sería un sesgo grave, porque los ingresos al hospital pueden ser muy diferentes en los diferentes días de la semana. Aunque este ejemplo va más allá de lo realista, sirve para tener en cuenta que los procedimientos sistemáticos fallan si hay alguna tendencia cíclica en el listado con que se cuenta.

Por último, hay casos en que el muestreo sistemático se usa para prescindir del marco de la muestra. Es cuando se seleccionan casos a partir de poblaciones en movimiento: la cola para entrar al cine es un caso. Otro caso frecuente son las encuestas “boca de urna” en las que se pregunta por quién votó a personas que salen del lugar de votación. Allí no hay listado al que recurrir, es a la gente que está físicamente presente que se encuesta. El recurso consiste en elegir a una persona cada \(r\), buscando que la muestra incluya a personas que llegaron temprano y que llegaron tarde, que votaron a la mañana y a la tarde, es decir que recorramos la “fila” alcanzando a quienes están en los primeros lugares y también a quienes están al final.

6.2.3 Muestreo estratificado

El procedimiento consiste en extraer muestras de subconjuntos de la población llamados estratos. Se espera que tales estratos sean homogéneos en su interior con respecto a alguna característica conocida a priori. Dicha característica se denomina criterio de estratificación.

En el muestreo estratificado se eligen muestras diferentes de cada uno de los subconjuntos definidos en la población.

Figura 6.2: En el muestreo estratificado se eligen muestras diferentes de cada uno de los subconjuntos definidos en la población.

Supongamos que se va a estimar el consumo de bebidas alcohólicas de personas jóvenes (y supongamos también que se ha dado una definición precisa de quiénes son personas jóvenes). Como es posible que esa variable está influida por el nivel socioeconómico, se lo puede usar éste como criterio para estratificar a la población, dividiéndola en subconjuntos en los que el nivel socioeconómico sea homogéneo. La cantidad de estratos que puedan definirse de esta manera dependerá del grado de precisión con que pueda medirse el nivel socioeconómico. Si estratificamos con categorías nivel socioeconómico alto, medio y bajo, entonces será \(k=3\) y seleccionaremos jóvenes de cada uno de los tres estratos.

La división de la población en estratos demanda cierta información acerca de ella (en este ejemplo el nivel socioeconómico). Cuanta más precisión se pretenda lograr con la estratificación, tanto mayor será la información necesaria a priori.

A veces los estratos están dados de manera más inmediata, como sucede con estudiantes de una carrera universitaria. Si se busca una muestra representativa, lo más razonable es estratificar por año de cursado, de modo de incluir estudiantes de todos los años.

Este procedimiento de muestreo se utiliza cuando se busca aumentar la precisión de la estimación sobre la población total o bien para mejorar la precisión sobre los estratos individuales. Se obtendrá tanto mayor ganancia en la estimación cuanto más homogéneos sean los estratos en su interior y más diferentes (heterogéneos) sean entre ellos. En el capítulo sobre estimación por intervalo se verá por qué es así.

Se llama afijación a la forma de distribuir la muestra sobre los estratos que se definieron, es decir, una vez decidido el tamaño de la muestra completa, la afijación indica cuántos casos seleccionar para la muestra de cada estrato. Según cuánta información se tenga a priori, se podrán hacer diferentes afijaciones. Hay tres posibilidades: igual o uniforme, proporcional y óptima. Tratamos solo las dos primeras.

6.2.3.1 Afijación igual o uniforme

Esta afijación se aplica cuando no hay ninguna información sobre los estratos y no hay razón para ponderar alguno de ellos. El procedimiento es simplemente extraer la misma cantidad de casos de cada estrato. Las muestras tienen todas el mismo tamaño, que es:

\[n_{i} = \frac{n}{k}\]

Donde:

\(n_{i}\) es el tamaño de las muestras extraídas de cada estrato

\(n\) es el tamaño de la muestra total.

\(k\) representa el número de estratos en que fue dividida la población.

En el ejemplo sobre el consumo de bebidas alcohólicas, si se trata de una muestra de 600 personas jóvenes, con este tipo de afijación, y como son tres estratos, extraeremos 200 casos de cada estrato.

6.2.3.2 Afijación proporcional

Consiste en extraer de cada estrato una muestra cuyo tamaño resulte proporcional al estrato del que proviene. Para ello, primero calculamos \(f\) que es la proporción de población que integra la muestra:

\[f = \frac{n}{N}\]

Este cociente se llama fracción de muestreo, en su cálculo:

\(n\) es el tamaño de la muestra total.

\(N\) representa el tamaño de la población.

Una vez que conocemos la fracción de muestreo, la aplicamos a cada uno de los estratos para obtener la cantidad de casos que deben extraerse de cada uno:

\[n_{i} = f*N_{i}\]

Donde:

\(N_{i}\): es la cantidad de casos en el estrato i-ésimo (en la población),

\(n_{i}\): es la cantidad de casos que se extraerán del estrato i-ésimo,

\(f\): es la fracción de muestreo que calculamos antes.

Para usar este tipo de afijación en el ejemplo del consumo de bebidas alcohólicas necesitaríamos conocer la cantidad de personas jóvenes que hay en cada estrato, es decir cuántos jóvenes de nivel socioeconómico alto, medio y bajo hay en la población. Este dato usualmente es desconocido.

Veamos un ejemplo con datos reales: en el año 2008 en la carrera de Psicología de la Universidad Nacional de Córdoba, la siguiente era la distribución de estudiantes según el año en que habían ingresado a la carrera (considerando solo a quienes ingresaron a partir del año 2000).

Año de ingreso a la carrera Cantidad de estudiantes
2008 1357
2007 1113
2006 1001
2005 807
2004 859
2003 764
2002 700
2001 483
2000 399
total 7483
Fuente: Anuario estadístico 2008, UNC.

Si queremos una muestra de 200 estudiantes de esa población, la fracción de muestreo será: \(f = \frac{200}{7483} = 0,027\) que redondeamos a \(0,03\).
En la tabla siguiente se aplica esta fracción a cada estrato, es decir se multiplica por esa fracción a la cantidad de casos que hay en cada estrato y se redondea al entero más próximo.

Año de ingreso a la carrera Cantidad de estudiantes
2008 1357
2007 1113
2006 1001
2005 807
2004 859
2003 764
2002 700
2001 483
2000 399
total 7483

Entonces, para la muestra debemos elegir 41 estudiantes que hayan ingresado en 2008, luego 33 del 2007 y así sucesivamente. A esa selección la hacemos aleatoria, ya que es posible contar con el marco de la muestra que es el registro de estudiantes que tiene la facultad.

6.2.3.3 Afijación óptima

Esta afijación tiene en cuenta la heterogeneidad de cada estrato para elegir la cantidad de casos que se extraen de cada uno, que se mide con la varianza al interior de cada estrato. Esto es porque cuando los elementos son muy homogéneos (poca varianza), pocos casos son suficientes para tener una imagen adecuada del conjunto completo; pero si son muy diferentes (heterogéneos, mucha varianza) van a ser necesarias más observaciones para hacer estimaciones de buena calidad. Para ilustrar esta idea, supongamos que en una bolsa hay fichas de dos colores (poca dispersión) y hay que adivinar cuáles son esos colores extrayendo cuatro fichas. Dada la poca dispersión, solo dos colores, es muy probable que con cuatro fichas podamos saber cuáles son. Pero si la bolsa contiene fichas de 9 colores diferentes (heterogénea, con mucha variabilidad), con cuatro fichas nunca puede alcanzar para saber cuáles son los colores de las que están en la bolsa, harían falta bastante más de nueve extracciones para lograrlo.

También, si se dispone de suficiente información, es posible incluir el costo de acceso a los casos pertenecientes a diferentes estratos y realizar una afijación que minimice el costo global del muestreo, para más detalles sugerimos Scheaffer, Mendenhall, and Ott (2006).

Dos puntos que hay que recordar para decidir el uso del muestreo estratificado:

  • Cada criterio de estratificación demanda información sobre la población. Esa información debe provenir de un conocimiento anterior al muestreo.

  • El muestreo estratificado implica un aumento de la calidad de la estimación bajo la condición que los elementos que están en un mismo estrato sean homogéneos entre sí y que los estratos sean diferentes unos de otros (heterogéneos entre sí).

6.2.4 Muestreo por conglomerados

Un conglomerado es una unidad de muestreo que contiene varios elementos de la población. Para un diseño por conglomerado deben definirse unidades primarias de muestreo que contengan en su interior a las unidades elementales.

Un ejemplo clásico de este tipo de muestreo es el caso en que hay que extraer una muestra de hogares en una ciudad. Se trata de una situación en la que resulta imposible contar con un listado de las unidades primarias (los hogares). Un muestreo por conglomerados permite resolver este problema tomando como unidad de selección a los radios censales, a los que se puede acceder por medio de las Direcciones Provinciales de Estadística, la figura 6.3 muestra un ejemplo. Numerando estas unidades sobre un plano de la ciudad (o del área que se vaya a relevar), se selecciona aleatoriamente un número \(n\) de ellas. Una vez identificadas las unidades primarias que constituirán la muestra (los radios censales) se relevan todos los hogares (unidades elementales) que residen en cada una de ellos.

Radios censales 2010 de la ciudad de Río Cuarto, provincia de Córdoba, Argentina.

Figura 6.3: Radios censales 2010 de la ciudad de Río Cuarto, provincia de Córdoba, Argentina.

Otro ejemplo es en el que necesitamos una muestra de 100 niñas y niños de primer grado de escuelas municipales la ciudad de Córdoba. Tenemos dos problemas: el primero es que no hay una lista, por lo que no se cuenta con un marco muestral. El segundo es que, aunque lo tuviéramos, tendríamos que ir a buscar a cada estudiante que compone la muestra al lugar donde vive (lo que implica visitar 100 lugares), lo que tendría un costo muy elevado. En este caso, el conglomerado (o unidad primaria) que se elige es la escuela: en lugar de elegir 100 niños y niñas al azar, se eligen, por ejemplo 10 escuelas al azar del listado de ellas, que sí existe. Luego, en cada escuela se eligen 10 estudiantes, también al azar, a partir del listado de primer grado, que sí está disponible en cada escuela.

Los requisitos para la efectividad de este tipo de muestreo son:

  • Las unidades primarias de muestreo deben ser homogéneas entre sí, de tal manera que cada unidad sea intercambiable con otra.

  • Cada unidad primaria debe contener, en su interior, la heterogeneidad propia de la población que se releva.

Volviendo al ejemplo anterior en que las unidades primarias son los radios censales, se espera que cada radio sea similar a los vecinos en cuanto a su composición (dentro de un área geográfica dada, se trata de un supuesto válido). Además, cada radio dispondrá, en su interior, de la variedad que sea propia del área en cuestión (en términos de su composición: proporción de hogares particulares, comercios, escuelas, etc.).

Además del ejemplo de los radios censales y las escuelas como unidades primarias de muestreo, otros conglomerados utilizados son: empresas, al interior de las cuales se releva a su personal; organizaciones religiosas, para entrevistar fieles, etc. En general, todo conjunto que contenga en su interior a las unidades elementales, puede elegirse como conglomerado.

6.2.5 Método de Kish

Es un procedimiento para seleccionar aleatoriamente a una persona entre todas las que residen en un hogar; este procedimiento es independiente del método de muestreo que se haya utilizado para seleccionar los hogares. Solo depende de la composición del hogar y se usa para controlar el sesgo que se pueda producir si quien hace la encuesta elige a quién encuestar, o bien si encuesta al que tiene más accesible, por ejemplo a quien atiende a la puerta. Se trata de pedir el nombre y la edad de cada integrante del hogar, ordenar esos nombres de acuerdo a su sexo y edad, y asignarles un número correlativo a partir de 1. El Centro de Control de Enfermedades de Estados Unidos sugiere asignar el número 1 a la persona de mayor edad y sucesivamente al resto del hogar. En el caso que hubiese dos personas de la misma edad, se puede usar la fecha de cumpleaños para decidir cuál va primero. Luego se consulta una planilla que viene con los cuestionarios, donde están impresos números aleatorios entre 1 y el total de personas que habitan en el hogar.

La planilla tiene cada fila para identificar el número de hogar al que se está encuestando, que es el número de cuestionario que se va a aplicar. Cada columna de la planilla tiene la cantidad de integrantes que hay en el hogar. Por ejemplo: si es el quinto hogar que se visita y en él viven seis personas adultas, luego de enumerarlas según edad, de acuerdo a la siguiente tabla, debe aplicar el cuestionario a la persona que tiene el número 3.

hogar
Cantidad de integrantes
1 2 3 4 5 6 7 8 9 10 12
1 1 1 3 4 4 4 4 4 8 3 7
2 1 2 2 4 5 3 3 7 4 7 8
3 1 2 1 4 5 1 1 5 6 5 1
4 1 1 1 2 4 2 5 3 9 6 6
5 1 1 3 4 4 3 7 3 5 7 9
6 1 1 3 4 2 2 2 3 5 4 7
7 1 2 2 1 3 5 3 7 3 6 10
8 1 2 1 1 2 3 5 2 5 9 4

Las encuestas de salud, como la Encuesta Nacional de Factores de Riesgo de Argentina, usan este método. Ver https://www.who.int/ncds/surveillance/steps/Parte2_Seccion2.pdf y https://www.cdc.gov/Spanish/EncuestasSR/disenoM/muestreo2.html para las recomendaciones de la Organización Mundial de la Salud y del Centro de Control de Enfermedades.

6.2.6 Uso combinado de técnicas de muestreo

Las modalidades de muestreo presentadas pueden combinarse de varias formas para resolver problemas particulares.

En el muestreo por conglomerados puede usarse una segunda etapa posterior a la selección de las unidades primarias consistente en la incorporación en la muestra sólo de algunas de las unidades elementales contenidas en ellas. Tal elección puede realizarse por un diseño aleatorio irrestricto o sistemático.

Aplicando este concepto al ejemplo anterior, la situación consistirá en la elección de algunos hogares dentro de los radios seleccionadas (en lugar de relevarlos a todos). Para lograr esta muestra, se instruye al equipo de campo para que, recorriendo un circuito establecido de antemano, entrevisten a un hogar cada una cantidad dada (uno cada diez por ejemplo para contar con una muestra del 10% de los hogares del radio).

O bien, en el ejemplo de niñas y niños de primer grado, se trataría de seleccionar a 10 en cada escuela de manera aleatoria.

Muestreo por conglomerados en dos etapas.

Figura 6.4: Muestreo por conglomerados en dos etapas.

La obtención de una muestra en una situación real implica la combinación de varios de estos procedimientos. Por ejemplo, para un sondeo de opinión sobre la población adulta de una ciudad, el primer paso es estratificar a la población (población adulta residente en la ciudad), según nivel socioeconómico, porque ésta es una variable que suele hacer diferencias marcadas en opinión política o en pautas de consumo. Un dato que puede tenerse sobre el nivel socioeconómico de la población, es el provisto por el censo, que incluye preguntas que permiten hacer una caracterización de los hogares según esta variable. Sin embargo, el censo se hace cada diez años y se vuelve desactualizada al poco tiempo. Por eso suele usarse, como aproximación al nivel socioeconómico, el área de residencia. Si bien no es absoluta, la división puede aproximarse con barrios habitados mayoritariamente por hogares con nivel socioeconómico más alto y más bajo. Así, en un primer momento es posible dividir la ciudad en estratos, determinados por grandes áreas que aproximan el nivel socioeconómico. Con los datos del censo se conoce la cantidad de habitantes de cada una de esas áreas (según lo cercano que sea el último censo, este dato será más o menos certero), por lo que el muestreo estratificado se puede hacer con afijación proporcional.

En la etapa siguiente, en lugar de seleccionar a las personas que responderán a la encuesta, se seleccionan unidades geográficas más pequeñas que los barrios: los radios censales. Éstos son enumerados dentro de cada estrato (barrio) y se selecciona aleatoriamente la cantidad de radios que sea necesaria para el tamaño de muestra establecido. Una vez seleccionados los radios, a cada encuestador se le indica que recorra el que le tocó según un circuito establecido de antemano y que llame a la puerta en un domicilio cada \(k\). En cada domicilio seleccionado se debe preguntar por las personas adultas que viven allí y se debe seleccionar aleatoriamente a una de ellas, por el método de Kish, quien será finalmente la que responda a nuestro cuestionario.

A este esquema general deben agregarse precisiones para casos particulares, como el rechazo a responder o la falta de gente en el domicilio seleccionado. Lo usual es volver dos veces luego de un rechazo y si se fracasa las dos veces, entonces ese domicilio se reemplaza por otro, según una regla establecida de antemano. También hay que aclarar desde el principio qué hacer en los casos de edificios, barrios cerrados, etc.

Para los sondeos de opinión, en una ciudad mediana, se estila usar 400 casos en 20 conglomerados de 20 casos cada uno.

Si se busca una muestra de personas internadas en centros de salud de una determinada región, se empezará por el listado de esos centros, a los cuales es posible estratificar según su dependencia pública o privada, según su tamaño, o según otra característica de interés. Una vez establecida la estratificación, se seleccionan al azar una cierta cantidad de centros de salud de cada estrato y, en cada centro será necesario contar con el registro de pacientes en internación, aquí se introducirán las restricciones propias de cada investigación, el período durante el cual nos interesan los datos, las patologías que fueron motivo de la internación, etc. La selección de casos (historias clínicas de cada persona) puede realizarse de manera irrestricta aleatoria si se dispone del listado.

Como se ve, lo que se busca es dejar el menor margen posible para improvisar, para evitar que la selección sea voluntaria. Esto se hace para asegurar que la muestra sea aleatoria y por tanto probabilística.

6.2.7 Muestreo de panel

Consiste en seleccionar una muestra aleatoria por cualquiera de los métodos mencionados y posteriormente “seguir” al grupo muestreado a lo largo del tiempo. Se realizan las mismas preguntas a las mismas personas en diferentes momentos. Esto permite el seguimiento de algunas características, que pueden ser condiciones de salud, trayectorias laborales, opiniones políticas, gastos de hogares, etc. Fue desarrollado por Paul Lazarsfeld (Lazarsfeld and Fiske 1938).

6.3 Muestreos no probabilísticos

Ya dijimos que los procedimientos que buscan estimar valores de la población a partir de resultados muestrales sólo pueden aplicarse cuando es posible asignar probabilidades a priori a los individuos de ser parte de la muestra. Aun cuando no cumplen con este requisito, las técnicas de muestreo no probabilísticas se utilizan en situaciones en que se quiere lograr un conocimiento inicial de un problema que se encuentra escasamente delimitado, como sucede en los estudios de tipo exploratorio. También es frecuente su uso cuando no se busca un conocimiento acabado sobre la población completa sino que el objetivo es profundizar sobre algunos casos en particular (estudios de casos) a través de entrevistas en profundidad que, por ejemplo, reconstruyan la historia de vida de algunas personas solamente. Un tercer uso es el de aproximar los resultados que se obtendrían con muestras probabilísticas. Como señalamos antes, deben tenerse recaudos con la generalidad de las conclusiones provenientes de este tipo de muestreo.

Una clasificación útil para este tipo de muestreo toma en consideración su definición, esto es que la elección no depende del azar sino de la voluntad de alguien. De esta manera los muestreos no probabilísticos pueden clasificarse según quien sea responsable de la elección en: muestreo por cuotas, de juicio o intencional, autoelegido y accidental. Una combinación de estos procedimientos es el muestro por bola de nieve.

6.3.1 Muestreo por cuotas

En este muestreo se busca reproducir de la manera lo más ajustada posible las características de la población en la muestra. Se llama cuotas a las fracciones de la muestra con las distintas características. Este muestreo se usa cuando se conocen algunas características de la población y se busca reproducirlas en la muestra. Por ejemplo, si la muestra contiene una proporción de varones y mujeres igual a la que hay en la población y además respeta las proporciones de diferentes grupos de edad, decimos que usamos cuotas de sexo y edad. A estos criterios suele agregarse otros, según los objetivos de la investigación, por ejemplo, en las encuestas políticas, es frecuente establecer cuotas de acuerdo al voto en las elecciones pasadas. Los ejemplos que indicamos antes, como reproducir la proporción de varones y mujeres entre los docentes de escuela primaria, o de las diferentes proporciones de niveles educativos de la población en la muestra, son casos de muestreo por cuotas.

En la práctica, se encarga a cada integrante del equipo de campo una cantidad especificada de casos a relevar, sin indicar quiénes serán esos casos ni cómo hallarlos, esto le da el carácter de no probabilístico, pero respetando las cantidades de casos en cada cuota. Quien realiza las entrevistas elige a “cualquiera”, según su comodidad o preferencias, es decir que no es posible conocer a priori qué probabilidad tienen los elementos de la población de caer en la muestra, pero esa elección está limitada por la exigencia que los elementos reúnan ciertas características.

Un ejemplo es en el que se indica a una encuestadora que complete 10 entrevistas a médicos que trabajen en relación de dependencia en la ciudad de Córdoba que tengan hasta diez años de egresados; a otra, que entreviste a 15 médicos también en relación de dependencia, pero que tengan más de diez años de egresados. Si bien en este caso las entrevistadoras pueden elegir según su preferencia cuáles serán los médicos a los que entrevistará, sus posibilidades de elección están restringidas a cumplir la cuota asignada.

En las encuestas políticas, quien aplica los cuestionarios puede, por ejemplo, verse limitado a elegir personas de sexo femenino, de 45 años, que en las elecciones pasadas hayan votado por el partido X (mientras que a otra parte del equipo de campo se encargará de otras cuotas). No hay azar, porque quien encuesta elegirá a quienes prefiera o tenga más a su alcance, pero deberá respetar las cantidades que le fueron indicadas.

Atención: una muestra construida por cuotas, es evidentemente representativa de los criterios correspondientes de las cuotas con los que fue elaborada (sexo, edad, ocupación, región, \(\ldots\)). Pero no hay ningún medio para saber si es representativa de aquello para lo cual fue construida, es decir, el tema de la investigación: la opinión, los rendimientos académicos, las actitudes, etc.

6.3.2 Muestreo de juicio o intencional

En este tipo de muestreo, conocido también como “selección experta”, en el proyecto mismo de investigación se establece qué elementos son los más adecuados para realizar la investigación. La elección se basa en la apreciación intersubjetiva del equipo de investigación sobre la representatividad de los elementos que muestrea. En algunos ámbitos de la investigación, suele solicitarse a personas expertas que seleccionen los elementos de la población a los que consideren más adecuados para construir la muestra, esta selección se apoya en la experiencia de las personas consultadas.

Un primer uso de este tipo de muestreo es aquel en el que el interés no se centra en la representatividad sino en la riqueza de contenidos que pueden ofrecer algunos casos a diferencia de otros.

Si se pretende reconstruir la historia de un asentamiento urbano marginal, sería más adecuado elegir a personas que hayan residido en él por largo tiempo. Se espera que quienes viven allí desde hace más tiempo puedan dar mayor información acerca de la génesis y evolución que quienes han arribado recientemente. En este caso, en las etapas de la investigación, primero se identifica a los residentes en el asentamiento y, a partir de ese conocimiento, se decide a quiénes se va a incluir en la muestra.

Aquí no se pretende la generalización de los resultados, ni se busca encontrar una historia típica en el sentido de que, en mayor o menor grado, la mayoría de la población comparta. Lo que se busca es profundizar el análisis a partir del testimonio de quienes son considerados como informantes más idóneos.

6.3.3 Muestreo autoelegido

La principal razón para usar este tipo de muestreo es la reducción de costos que implica, este método selecciona a quienes van a participar del estudio, sino que solicita a las personas que participen voluntariamente. La decisión de formar parte o no de la muestra queda en manos de la persona invitada, por eso se llama autoelegido, es ella quien optará por participar o no hacerlo (por falta de interés, de tiempo, etc.).

Supongamos que se pretende estudiar el gasto por familia en actividades de recreación y para reducir costos, en lugar de enviar un equipo de campo a encuestar, se envían por correo formularios anónimos a los domicilios de los hogares seleccionados aleatoriamente. Podría suceder que aquellos hogares que tienen gastos en recreación muy bajos contesten en proporción menor que los que más gastan. De esta manera, las respuestas resultantes darían un valor promedio por encima del verdadero por el hecho que, inadvertidamente, la muestra estaría representando en mayor medida a los hogares que tienen los más altos gastos en recreación.

En el estudio acerca del comportamiento sexual de las mujeres en Estados Unidos, el Informe Hite (1976) basó sus conclusiones sobre el 4.5% de mujeres que remitieron completos los cuestionarios que habían recibido por correo. Aun cuando haya recibido de vuelta 4500 respuestas (de 100000 cuestionarios enviados), resulta riesgoso extender las conclusiones a la población en general. Es así porque no se sabe si ese pequeño porcentaje de mujeres que respondieron tiene conductas semejantes o muy diferentes de aquellas que no lo hicieron.

En la actualidad ya no se envían formularios por correo postal para que la gente responda, pero sí se hacen encuestas por mail o se invita a expresar la opinión en encuestas en sitios web. A esas encuestas responde una fracción muy específica de la población: la que accede a internet, que visita esa página, que tiene tiempo e interés por responder a las preguntas que allí se hacen. No es posible saber qué recorte de la población es representado por esa muestra y es completamente inválido extender los resultados a toda la población, como lo es generalizar a quienes visitan esa página, ya que no siempre se dispone del tiempo ni del interés para responder. Se trata de un dato imposible de adjudicar a alguna población identificable, es simplemente “la opinión de quienes opinaron”. Sin embargo a veces se tratan equivocadamente esos resultados como si representaran una tendencia de opinión.

El muestreo autoelegido tiene una aplicación en el campo de experimental cuando se trabaja con sujetos humanos. Allí, la selección de quienes participarán de los experimentos, muy raramente puede hacerse al azar, habitualmente resulta de la voluntad de personas que se prestan para los estudios. Sin embargo, es un requisito indispensable en los experimentos que se asignen las personas de manera aleatoria a los grupos experimental y control. Es decir, que se elija aleatoriamente a cuáles de las personas voluntarias se someterá a los tratamientos que se ponen a prueba y a cuáles se tomará como controles. También es frecuente usar cuotas en la asignación de sujetos a los dos grupos de modo que estén equilibrados respecto de algunas variables, cuya determinación depende del estudio particular. En este caso las cuotas indican qué proporción de casos se requieren en cada categoría de las variables de interés, la selección de los sujetos que constituirán el grupo experimental y el grupo control se hace aleatoriamente.

6.3.4 Muestreo accidental o según disponibilidad

Esta modalidad cuenta con mucha difusión, sobre todo por los medios de comunicación, y consiste en entrevistar a las personas que se encuentran accidentalmente en determinado lugar. La expresión “accidental” se presta a equívocos ya que puede confundirse con “aleatorio”. Si bien no resulta posible identificar a quien toma la decisión por la selección de la muestra, nos encontramos en una situación en que múltiples factores son los responsables de la misma. Algunos de estos factores son: la voluntad de las personas solicitadas de responder, que pueden hacerlo o negarse, la elección (consciente o no) que el equipo de encuestas hace entre las personas que transitan, el lugar donde se hace la entrevista (ciertas personas difícilmente transitan por determinadas áreas de una ciudad), etc.

El hecho que se trate de la confluencia de múltiples factores fortuitos lo que determina cuáles serán las personas que formarán parte de la muestra y quienes no, no puede considerarse sinónimo de aleatoriedad. Por lo tanto, no se trata de un muestreo probabilístico dado que no es posible asignar probabilidades a priori de pertenecer a la muestra a los elementos de la población.

En consecuencia, las conclusiones obtenidas a través de este tipo de relevamiento (porcentaje de opiniones a favor o en contra de un tema cualquiera, etc.) sólo pueden ser válidas para aquellas personas que fueron parte integrante de la muestra, no pudiendo generalizarse los resultados más allá de la misma.

Por el contrario cuando se lo utiliza en ámbitos académicos, suelen tomarse los resguardos mencionados antes para conseguir que sea tan representativo como sea posible. Para hacer esto se consideran en primer lugar las características conocidas de la población y se las reproduce en la muestra por ejemplo la proporción de varones y mujeres, los niveles de educación, como en el caso del muestreo por cuotas. Luego se busca la mayor heterogeneidad posible y un número elevado de casos. Con estos cuidados, este tipo de muestreo puede usarse, por ejemplo para la validación de escalas psicométricas.

6.3.5 Muestreo bola de nieve

Esta técnica fue publicada por primera vez por Leo Goodman (1961), de la Universidad de Chicago. Es adecuada cuando se debe estudiar una población infrecuente, poco representada en el total general y no hay un marco disponible para el muestreo. Estas situaciones se presentan, por ejemplo, si se requiere entrevistar a personas que consumen drogas ilegales, personas afectadas por alguna enfermedad rara, inmigrantes en actividad laboral.

Comienza con la selección de una muestra inicial o básica de casos que el equipo de investigación conoce, y en cada entrevista se pregunta a qué otras personas de la población conoce. Luego se visita a esos casos referenciados por los primeros, repitiendo el procedimiento hasta que se completa la muestra. Así, al entrevistar a cada miembro de un grupo, se puede pedir que indique otros individuos en ese grupo que podrían dar información sobre el tema; o pedirle que mencione personas que compartan sus puntos de vista y a otras de opinión opuesta. De este modo se entrevistan nuevos individuos y se continúa del mismo modo hasta que no se encuentran nuevos puntos de vista. Cuando se llega a ese límite, se dice que se ha saturado el tema. Este es un buen método para recoger los distintos puntos de vista existentes en un grupo, o para alcanzar a personas que no son visibles en una comunidad; pero no ofrece información sobre la distribución de los casos en la población.

Si es posible, la primera selección se hace en forma probabilística, y los casos siguientes quedan determinados por las referencias que se van encontrando. Lo más frecuente es que se carezca de datos iniciales, por lo que la primera muestra deberá seleccionarse en forma intencional o estar constituida por gente que voluntariamente acepta participar. En cualquier caso se trata de un muestreo no probabilístico, cuya ventaja es que puede asegurar una amplia cobertura, porque permite llegar a través de contactos personales, a individuos que de otro modo permanecerían invisibles. El carácter no representativo viene dado porque la probabilidad de entrevistar a una determinada persona depende de sus conexiones: aquellas muy conectadas tendrán más probabilidad de ser entrevistadas que las que estén aisladas, o tengan pocas relaciones.

Este método puede mejorarse para lograr que la muestra sea representativa de la población. Para eso se lo combina con un modelo matemático que da peso diferente a los casos teniendo en cuenta que han sido seleccionados de manera no aleatoria. La técnica que así resulta se llama “Muestreo Dirigido por el Respondente” y fue desarrollado por Douglas Heckathorn en 1997, como parte de un proyecto de investigación sobre prevención de VIH dirigido a personas consumidoras de drogas inyectables en varias ciudades de Connecticut. Aplicando este procedimiento se logran muestras no sesgadas (representativas) aun cuando se haya partido, como generalmente sucede, con una muestra no probabilística. Para detalles sobre el modo de usarlo, puede consultarse http://www.respondentdrivensampling.org/, donde se encuentran abundantes ejemplos de aplicación.

6.4 Hacerlo en R

6.4.1 Aleatorio simple

Una muestra aleatoria de casos de una matriz de datos, es una selección aleatoria de un número determinado de filas, manteniendo todas las columnas igual.

En primer lugar leeremos la base Encuesta Nacional de Factores de Riesgo con el nombre enfr y luego, extraeremos una submuestra aleatoria de 100 casos de ella a la que denominamos enfr100.

enfr <- read.table(
  "bases/archivostxt/ENFR2013_baseusuario.txt",
  sep = "|", header = TRUE
)

enfr100 <- enfr[sample(nrow(enfr), 100), ]

El corchete se refiere a los elementos de enfr que se van a seleccionar. De las filas (primer componente dentro del corchete, antes de la coma) se elige una muestra de 100 filas de enfr. Luego de la coma no se indica nada, con lo que se dejan todas las columnas de la base original. En el panel superior derecho se observa la aparición del nuevo objeto enfr100, con 100 casos y 204 variables, las mismas que tenía enfr.

6.4.2 Estratificado

6.4.2.1 Afijación uniforme

Es necesario instalar un paquete específico y cargarlo en la sesión

install.packages("splitstackshape")
library("splitstackshape")

Luego se define la nueva matriz muestra.estrat.eph, indicando la matriz de donde se extrae la muestra, el criterio de estratificación y la cantidad de casos. Pediremos 100 casos de cada nivel de educación:

eph.3.18 <- read.csv("bases/archivostxt/usu_individual_T318.txt",
                     sep = ";")
muestra.estrat.eph <- stratified(eph.3.18, "NIVEL_ED", 100)

Para ver el resultado, se puede pedir cualquier tabla, con los márgenes a fin de ver el total de casos en cada categoría:

addmargins(table(muestra.estrat.eph$CH04,
                 muestra.estrat.eph$NIVEL_ED))
##      
##         1   2   3   4   5   6   7 Sum
##   1    55  46  53  37  39  44  55 329
##   2    45  54  47  63  61  56  45 371
##   Sum 100 100 100 100 100 100 100 700

La muestra tiene 700 casos que son 100 de cada nivel de educación. También se puede pedir más de un criterio de estratificación, por ejemplo, educación y sexo:

muestra.estrat.eph <- stratified(
  eph.3.18, c(
    "NIVEL_ED", "CH04"), 100)

addmargins(table(muestra.estrat.eph$CH04,
                 muestra.estrat.eph$NIVEL_ED))
##      
##          1    2    3    4    5    6    7  Sum
##   1    100  100  100  100  100  100  100  700
##   2    100  100  100  100  100  100  100  700
##   Sum  200  200  200  200  200  200  200 1400

Ahora hay 1400 casos en total 100 en cada combinación de sexo y nivel de educación (2X7).

6.4.2.2 Afijación proporcional

En lugar de especificar la cantidad de casos, se puede indicar la proporción de casos que se requieren de cada categoría, por ejemplo para el 10%:

muestra.estrat.prop.eph <- stratified(eph.3.18,
                                      "NIVEL_ED", .1)

addmargins(
  table(muestra.estrat.prop.eph$CH04,
        muestra.estrat.prop.eph$NIVEL_ED)
)
##      
##          1    2    3    4    5    6    7  Sum
##   1    404  337  620  536  298  270  264 2729
##   2    428  391  559  561  344  407  270 2960
##   Sum  832  728 1179 1097  642  677  534 5689

La cantidad de casos en cada categoría depende de cuántos casos había en la matriz original.

References

Bethlehem, Jelke. 2009. The rise of survey sampling.” Statistics Netherlands, no. 09015: 1–28.
Kiaer, Nicolai Anders. 1973. Den representative undersogelsesmethode. Edited by Central Bureau of Statistics of Norway. Oslo. https://doi.org/10.1017/CBO9781107415324.004.
Lazarsfeld, Paul, and Marjorie Fiske. 1938. The "Panel" as a New Tool for Measuring Opinion.” The Public Opinion Quarterly 2 (4): 596–612.
Scheaffer, Richard L., William Mendenhall, and Lyman Ott. 2006. Elementos de Muestreo. Madrid: Paraninfo.

  1. La idea de infinito no es la de la matemática, sino que se refiere a una relación pequeña entre la cantidad de casos de muestra y los de la de la población. Ver nota 48.↩︎